
所屬分類:輸送機防爆保護開關
發布日期:2019-11-14
瀏覽:次
咨詢電話:
15373185054
分享此產品:
BYQZL防爆縱向撕裂保護裝置
使用說明書
衡水涌泉機械科技有限公司出品
1 主要用途及適用范圍
帶式輸送機在輸送物料過程中,由于物料、雜物或金屬件易劃傷或穿透輸送帶,特別是綱絲繩芯輸送帶會造成縱向撕裂事故,給國家財產帶來重大損失。
輸送帶縱向撕裂監測裝置為膠囊式,當輸送帶發生撕裂事故時能可靠的發出警報信號和停機信號,避免事故的擴大。適用于各行業帶式輸送機輸送帶的安全保護。
2 主要技術指標
開關觸點數量 | 1常開,1常閉 |
開關觸點容量 | AC 380V 5A |
控制箱供電電壓 | AC 220V 50HZ |
防護等級 | IP55 |
復位方式 | 手動按鈕復位 |
使用環境 | 工作溫度:-40~+70℃ |
相對濕度:≤90%(25℃時) |
4 工作原理及性能
縱向撕裂監測裝置由感知器和控制線路兩部分組成。感知器是縱向撕裂的檢測元件,當帶式輸送機輸送帶被異料穿透后,隨著輸送帶運行帶動異物使感知器受到擠壓,或當溜槽出料口與輸送帶之間因物料堵塞而擠壓布置在出料口的感知器時,感知器均能靈敏可靠的檢測出輸送帶撕裂信號并輸出開關量,發出停機信號。控制線路具有自鎖功能。
控制箱面板設有報警指示燈,當輸送帶發生撕裂時,控制電路接收感知器檢測出的開關信號,發出報警和停機信號。
該裝置具備以下特點:
(1)安裝方便;
(2)檢測元件感知器密封性較強,可在惡劣條件下使用;
(3)控制箱面板設有自校按鈕,按下自校按鈕時,可模擬現場故障,實現上述撕裂報警功能。
5 安裝與接線
縱向撕裂監測裝置由控制箱和感知器組成,一臺控制箱可與2~6個感知器配套使用。感知器外形見圖。
感知器如圖示,此感知器呈槽形結構,適用于槽形帶式輸送機,安裝在輸送機承載輸送帶下面,主要監測因物料穿透輸送帶所致的撕裂事故,發出事故信號,從而達到防止或減少輸送帶撕裂。
5.3 感知器的安裝


5.4 控制箱安裝與接線
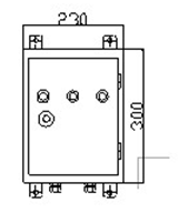
(1)用戶可根據圖1所標注尺寸將控制箱固定在輸送機附近墻壁上、機架上或接線箱內;
(2)控制箱和感知器安裝完成后,將每個感知器的2個出線分別并聯連接,接入控制箱內信號端。
6 定貨須知
(1)定貨注明產品名稱、感知器型號、數量;一般供貨為1臺控制箱、2支感知器;
(2)本產品安裝支架,可單獨定貨。定貨時請注明輸送機型號、帶寬、托輥直徑及槽角