
所屬分類:清掃器
發布日期:2019-11-13
瀏覽:次
咨詢電話:
15373185054
分享此產品:
★ 重要聲明
檢查產品包裝箱有無損壞。如發現損壞,請立即與承運人反映貨物損壞短少情況,并雙方簽字確認,交衡水涌泉機械設備有限公司或與其銷售代表取得聯系,作為向承運人索的證據。
安裝前的重要提示
1. 安裝之前,必須熟知工作中所用相關設備的安全操作規程以及施工現場的安全生產規范。
2. 切斷輸送機的啟動電源,掛上“有人操作,禁止合閘”的警示牌。
3. 如果設備在井下或密閉的區域內,動用割槍或電焊之前,必須對煤氣和灰塵含量進行檢測。確認煤氣和灰塵含量在安全值范圍內方可操作,否則,可能發生事故。
4. 使用割槍或電焊對皮帶輸送機架開孔前,應使用阻燃罩將輸送機皮帶罩住,否則將有可能損壞皮帶。
5. 安裝工作完畢,在啟動輸送機皮帶之前,應將安裝區域內和輸送機皮帶上的工具、鐵器、焊渣等收拾干凈。否則將有可能造成嚴重的人身傷害,或者導致輸送機皮帶的損壞。
6. 在輸送機運行狀態下,如果要調整清掃器的張緊力,操作時千萬要小心謹慎,防止手中的工具、身體或衣服被卷入輸送帶,導致嚴重的人身傷亡。對于維護的操作,請在停機狀態下進行,切記!
產品說明
輸送帶輸送的物料往往帶有粘性物質,如煤塵、泥漿、粉狀物料,其中一部分會粘在輸送帶工作面上,在卸料時不能完全卸掉,隨著皮帶運轉會粘在托輥上,長時間會造成以下后果:
1. 物料進入托輥的殼體內,從而增大軸承磨損,托輥殼體粘上物料會損傷和拉毛輸送帶的面膠,加速輸送帶損壞。
2. 粘著物進入尾輪和改向滾筒,物料會粘在滾筒表面上,且越粘越多,造成輸送帶跑偏,增加輸送帶磨損,釀成不良后果。
3. 物料粘在驅動滾筒上,加大對滾筒的摩擦力,會引起輸送帶面膠和滾筒包膠層的損壞。
4. 物料沒有及時清除,在整個工作通道內會形成落料區,造成環境污染,清掃勞動量增加,影響員工身心健康,增加企業成本。因此,為保證帶式輸送機正常運轉,必須將輸送帶上的附著物清掃干凈。如果清掃裝置良好,對托輥、輸送帶等的壽命都可以延長。
由此可見,清掃器在帶式輸送機上有著不可忽視的作用。我公司設計的 YQ-HPU 系列清掃器為頭道清掃器,安裝在帶式輸送機頭部滾筒,清掃器安裝寬度可根據現場情況任意伸縮。刀片材質為聚氨酯,具有耐磨損、抗腐蝕、不損傷皮帶、清掃干凈等優點,其特別的張緊裝置,設計合理,使用方便,可以在不停機的情況下將刀片和皮帶分離,以利于清掃刀口上的雜物。該系列清掃器安裝簡單,維護方便,深受用戶青睞。
規格編號說明

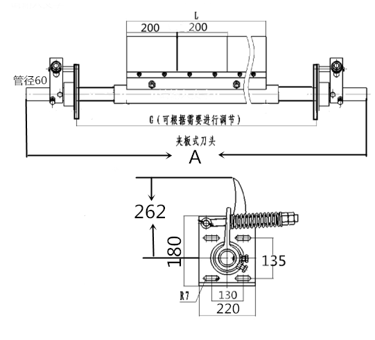
結構示意圖


帶寬 | 500 | 650 | 800 | 1000 | 1200 | 1400 | 1600 | 1800 | 2000 | 備注 |
L | 500 | 600 | 800 | 1000 | 1200 | 1400 | 1600 | 1800 | 2000 | 清掃器橫管直徑60毫米 |
A | 1500 | 1600 | 1800 | 2000 | 2200 | 2400 | 2600 | 2800 | 3000 | |
G | 600-1200 | 700-1300 | 900-1500 | 1100-1700 | 1300-1900 | 1500-2100 | 1700-2300 | 1900-2500 | 2100-2700 | |
安裝步驟
1、按照發貨清單,開箱檢查,箱內應有主機架(裝有刀片),左右彈簧張緊器各一只及相應安裝緊固螺絲等配置。如有不符,請與涌泉機械設備有限公司或其區域銷售代表聯系,調整配齊。
1. 請仔細閱讀安裝操作說明書,了解 YQ-HPU 清掃器的組成結構。
2. 測量皮帶機頭部滾筒的直徑、皮帶厚度、皮帶寬度。
3. 在頭部漏斗外側壁左右各開一個φ80 圓孔(以頭部滾筒軸心線為坐標原點劃線,用氣割開孔),同時在安裝機架上開孔,如圖所示:

直徑 Q(mm) | 修正值 X(mm) |
300--375 | 110--120 |
400 以上 | 110 |
Q 包括滾筒的直徑,皮帶的厚度 | |
5. 安裝固定,使組裝好的清掃器軸心線與滾筒軸心線平行,刀頭緊貼帶面,然后調整使刀尖線的中心對準滾筒軸心線的中心,將橫梁底部的鎖緊螺釘擰緊并用螺母鎖定。通過調節螺母調整彈簧長度,給刀頭施加預緊力,然后用鎖緊螺母鎖緊。
維護
三個月調整一次張緊力。為防止影響清掃效果,在日常使用過程中,不要讓刀片之間夾雜繩索、鐵絲等異物。
更換刀頭
1. 切斷輸送機的啟動電源,掛上“有人操作,禁止合閘”的警示牌。
2.松開清掃器兩端的緊固螺栓,轉動刀頭位置,使刀頭與皮帶脫離。
3.逐個將固定螺絲取出,拿掉廢刀頭。
4.逐個安上新刀頭,并用螺栓固定好。
5.重新扳回刀頭位置,并緊固好螺栓。
6.開機試運轉。






